JSD、ZT减振器、DZT减振吊钩、FQ电控箱
JSD型风机专用橡胶减振器是根据橡胶动力学特性研制而成的新型减振器,采用耐油橡胶硫化成形。结构受力性能优越,稳定性好,耐油性强,使用安装方便,适应范围广。适宜于转速大于600转/分钟的风机基础隔震降噪。
产品分类:
风机配件
关键词:
JSD
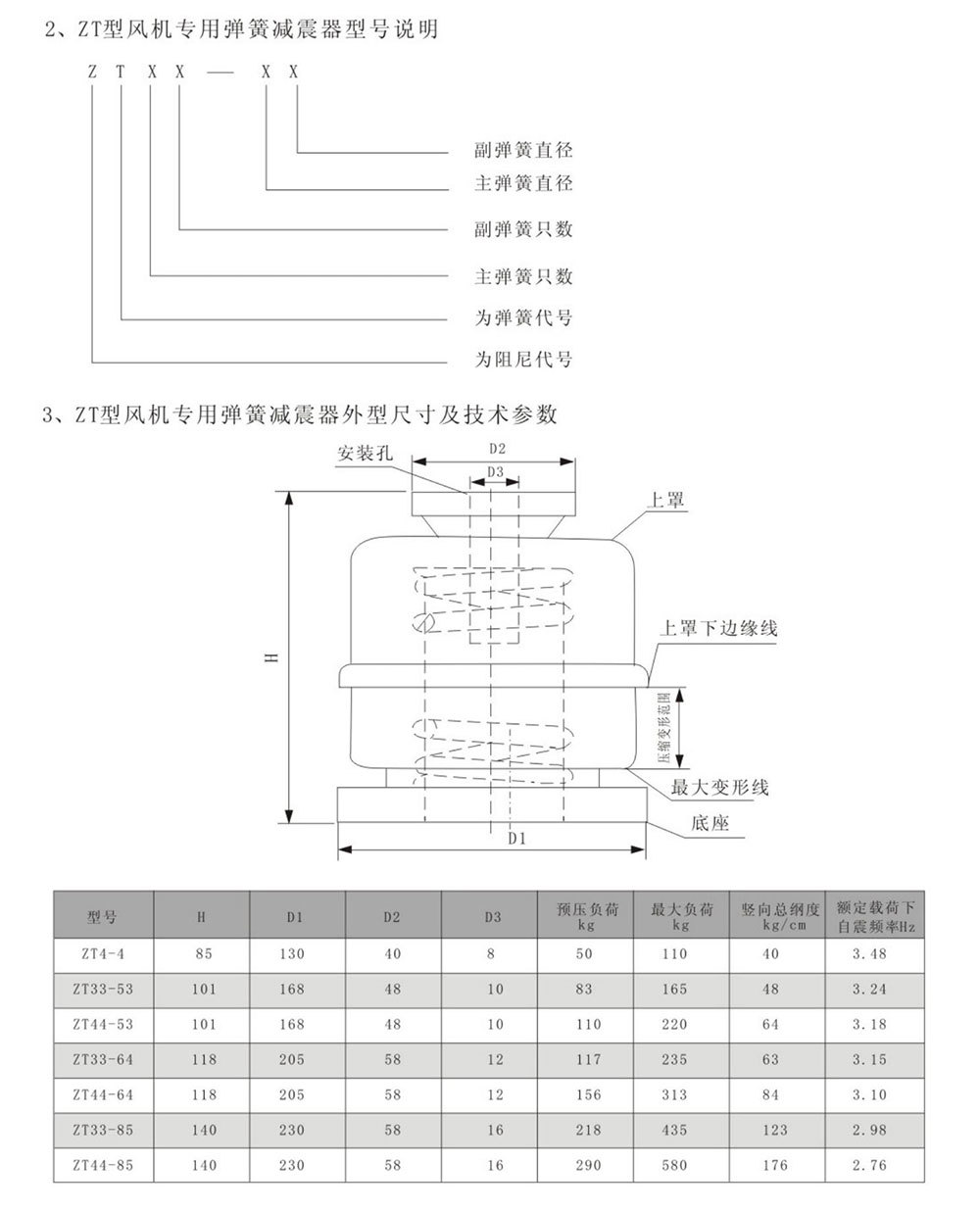
ZT减振器
DZT减振吊钩
FQ电控箱
产品详情





在线咨询
产品分类:
风机配件
关键词:
JSD
ZT减振器
DZT减振吊钩
FQ电控箱
产品详情





在线咨询